Каталог продукции
Блочно-модульный ВЗУ «SOV-BLOK»
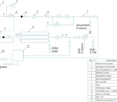
Компания «Завод «Современная Автоматика» разработала типовое решение блочно-модульного водозаборного узла «SOV-BLOK», включающего в себя комплекс оборудования химической водоочистки (механическую очистку, обезжелезивание, сорбцию, обратный осмос, ультрафиолетовое обеззараживание) и станции повышения давления и пожаротушения.
Технологические схемы и разные варианты комплектации ВЗУ позволяют применять модульные насосные станции практически в любых схемах централизованных систем водоснабжения населенных пунктов и промышленных предприятий.
- Котеджные поселки, Жилые комплексы, объекты ЖКХ
- Промышленность, сезонные производства, аварийное водоснабжение
- Объекты сельского хозяйства
- Автодороги, АЗС, транспортная инфраструктура
- Воинские части, временные базы МЧС, вахтовые городки
- Отели, санатории и туристическая инфраструктура
Оставьте заявку
Комплексный подход
Компания обладает собственным проектно-конструкторским бюро (СРО), производственной базой, инженерным составом, монтажной бригадой (СРО), что позволяет осуществлять полный комплекс услуг по реализации объектов в области водоснабжения, канализации, автоматизации технологических процессов.
Оценка объекта
Проектирование
Подбор оборудования
Производство и монтаж
Ввод в эксплуатацию
Гарантийное и сервисное обслуживание
Блочная насосная станция пенного пожаротушения
ООО "Завод "Современная Автоматика"
Строительство водозаборных узлов (ВЗУ)
ООО "Завод "Современная Автоматика"
Блочно-модульный водозаборный узел (ВЗУ) «SOV BLOK»
ООО "Завод "Современная Автоматика"
Наши заказчики



















